Fenster + Türen
-
Jablotron JA-111M BUS mini Fenster-/Tür-Magnetkontakt
Jablotron JA-111MB ist ein mini Magnetkontakt-Detektor, erkennt das Öffnen von Fenstern oder Türen.
-
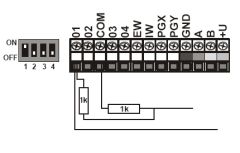
Jablotron JA-112M Bus- Magnetkontakt mit 2 Universaleingängen
Das Jablotron JA-112M Bus Modul ist für den JABLOTRON 100+. Das Bus Modul dient dazu, verschiedene Melder zur Erkennung von beispielsweise geöffnetenTüren und Fenstern zu verbinden.
Das Modul hat zwei unabhängige Eingänge mit der Möglichkeit, ihre Eigenschaften vollständig einzustellen.
-
Jablotron JA-113M Bus- Magnetkontakt
Jablotron JA-113M JA Magnetischer Melder BUS mit Erkennung von externen Magnetfeldern.
Es wird für die Erkennung des Öffnens von Türen, Fenstern usw. verwendet. Das Gerät hat eine wählbare Reaktion (Impuls oder Zustand).
Verfügbare Farben: Weiß JA-113M-WH, Grau JA-113M-GR, Anthrazit JA-113M-AN. (inklusive Batterie)
-
Jablotron JA-118M Bus-sammelmodul für 8 Magnetkontakten
Das Modul bietet 8 Eingänge, die speziell für den Anschluss von Magnetdetektoren entwickelt wurden.
Die Installation in einer universellen JA-190PL-Mehrzweckbox wird empfohlen.
-
Jablotron SA-200A wired magnetic Door Contact
Magnetic wired door contact (NC) common type SA-200A (size: 50x14x12mm).
3,00 € 2,48 € -
Jablotron SA-201A wired miniature magnetic door contact
Jablotron SA-201-A magnetic wired door contact (NC) miniature.
Ssize: 28 x 12 x 7 mm
5,00 € 4,13 €Nicht lieferbar -
Jablotron SA-203 wired mini magnetic door contact
Jablotron SA-203 magnetic mini self-adhesive contact with wire (size: 33 x 8 x 9 mm).
5,00 € 4,13 € -
Jablotron SA-204 wired magnetic door contact
SA-204 surface metallic contact for industrial applications and also metallic doors.
Working distance max. 40mm (size: 49x17x9 mm).
17,00 € 14,05 € -
Jablotron SA-210 wired magnetic door contact
Jablotron SA-210 stud mini contact with cable - extra thin.
6,00 € 4,96 € -
5,00 € 4,13 €
-
Jablotron SA-220 wired Overhead Magnetic Detector
Rolltor Metallkontakt auch für Metalltüren mit Kabel im Panzerrohr.
Größe: 106 x 38 x 10 m
Kabellänge: 75 cm
38,00 € 31,40 € -
Jablotron CT-01-Verschlussbewegungsdetektor
Der Jablotron CT-01-Verschlussbewegungsdetektor ist ein kabelgebundener Detektor zur Erkennung der nicht autorisierten Bewegung externer Fensterläden in Häusern oder Gebäuden.
32,00 € 26,45 €

